AISI 304 ASME B1.20.1 ISO 49-1994 CL150 Stainless Steel Cast Cross Threaded
Product Information
| Product Name | AISI 304 ASME B1.20.1 ISO 49-1994 CL150 Stainless Steel Cast Cross Threaded |
| Thread Types | ASME B1.20.1(NPT) |
| Dimensions | ISO 49-1994(E) |
| Size Range | 1/8” to 4" |
| Pressure Class | Class 150 |
| Materials | AISI 304/L |
Standard & Materials:AISI 304L
The SAE/ANSI 304 (AISI 304) is the most commonly available and used type of stainless steel. It is also referred to as 18/8 stainless steel, A2 stainless steel (as per the ISO 3506), or 304S15 (as per the British Standard). This is an austenitic chromium-nickel alloy which practically means that it has a very high corrosion resistance. It is also nonmagnetic and can’t be hardened through heat treatment. As AISI 304 can withstand extremely corrosive environments and can be shaped, machined and welded relatively easy, it is very popular for a wide range of applications.
AISI 304/L Chemical Composition (%)
| Grade | C, max | Cr | Mn, max | Ni | P, max | S, max | Si, max |
| AISI 304 | 0.08 | 18~20 | 2 | 8~10.5 | 0.045 | 0.03 | 1 |
| AISI 304L | 0.03 | 18~20 | 2 | 8~12 | 0.045 | 0.03 | 1 |
AISI 304/L Mechanical Properties
| Mechanical Properties | 304 | 304L |
| Hardness, Knoop | 138 | 158 |
| Hardness, Rockwell B | 70 | 82 |
| Hardness, Vickers | 129 | 159 |
| Tensile Strength, Ultimate | 505 MPa | 564 MPa |
| Tensile Strength, Yield | 215 MPa | 210 MPa |
| Elongation at Break | 70% | 58% |
| Modulus of Elasticity | 193~200 GPa | 193~200 GPa |
| Charpy Impact | 325 J | 216J |
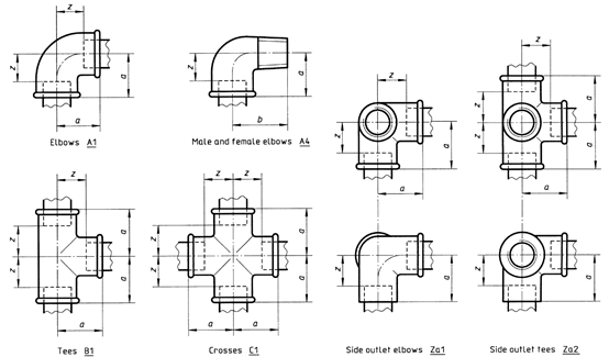
ISO 49-1994(E) Dimensions of Elbows, tees, crosses (mm)

| Fitting Sizes (inches) | Dimensions (mm) | Laying Length (mm) | ||||||
| A2 | A4 | B1 | C1 | Za1 | Za2 | a | b | z |
| ⅛ | ⅛ | ⅛ | — | — | — | 19 | 25 | 12 |
| ¼ | ¼ | ¼ | (¼) | — | — | 21 | 28 | 11 |
| ⅜ | ⅜ | ⅜ | ⅜ | (⅜) | (⅜) | 25 | 32 | 15 |
| ½ | ½ | ½ | ½ | ½ | (½) | 28 | 37 | 15 |
| ¾ | ¾ | ¾ | ¾ | ¾ | (¾) | 33 | 43 | 18 |
| 1 | 1 | 1 | 1 | (1) | (1) | 38 | 52 | 21 |
| 1¼ | 1¼ | 1¼ | 1¼ | — | — | 45 | 60 | 26 |
| 1½ | 1½ | 1½ | 1½ | — | — | 50 | 65 | 31 |
| 2 | 2 | 2 | 2 | — | — | 58 | 74 | 34 |
| 2½ | 2½ | 2½ | (2½) | — | — | 69 | 88 | 42 |
| 3 | 3 | 3 | (3) | — | — | 78 | 98 | 48 |
| 4 | 4 | 4 | (4) | — | — | 96 | 118 | 60 |
| (5) | — | (5) | — | — | — | 115 | — | 75 |
| (6) | — | (6) | — | — | — | 131 | — | 91 |
Benefits of Stainless Steel Casting Screw Fittings